采用LP7110剪切梁稱重傳感器,配以上下底板、壓頭、水平拉桿及防傾覆螺栓組成動靜載兩用稱重模塊,所有模塊的制造、組裝、測試都符合ISO9001質量標準,既保證了稱重傳感器精度高、長期穩定性好的特點,又解決了因安裝不當造成稱量誤差的問題,還解決了承載器的水平限位和防傾覆的問題;安裝、調試快捷方便;廣泛應用于各類反應釜料斗秤等。
技術參數:
準確度等級:OIML III
材質:碳鋼鍍鎳或不銹鋼

|
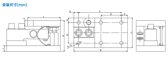
量程
|
A
|
B
|
C
|
D
|
E
|
F
|
ΦG
|
H
|
J
|
K
|
L
|
|
0.25~2.5t
|
93.6
|
170
|
100
|
70
|
17
|
136
|
13.5
|
15
|
19
|
17
|
104
|
|
3, 5, 7.5t
|
125.3
|
220
|
120
|
84
|
25.5
|
175
|
14
|
18
|
23
|
19.5
|
135
|